2004 Trailblazer Fan Clutch Relay

Replace Fan Clutch And Its Still Fully Engaged Chevy Trailblazer Trailblazer Ss And Gmc Envoy Forum

Replace Fan Clutch And Its Still Fully Engaged Chevy Trailblazer Trailblazer Ss And Gmc Envoy Forum

Where Is The Cooling Fan Relay Located On A 2003 Chevy Trailblazer

Where Is The Cooling Fan Relay Located On A 2003 Chevy Trailblazer

2002 Trailblazer Reduced Engine Power Shows Code P1484

2002 Trailblazer Reduced Engine Power Shows Code P1484

Fan Clutch Relay Chevy Trailblazer Trailblazer Ss And Gmc Envoy Forum

Fan Clutch Relay Chevy Trailblazer Trailblazer Ss And Gmc Envoy Forum

Problem Overheating Symptoms Inside Bad Fan Clutch Chevy Trailblazer Trailblazer Ss And Gmc Envoy Forum

Problem Overheating Symptoms Inside Bad Fan Clutch Chevy Trailblazer Trailblazer Ss And Gmc Envoy Forum

2005 Chevy Trailblazer P0128 P0480 P0526 Youtube

2005 Chevy Trailblazer P0128 P0480 P0526 Youtube

2005 Chevy Trailblazer P0128 P0480 P0526 Youtube

This is for my 2004 chevy trailblazer ls.

2004 trailblazer fan clutch relay.

2004 chevrolet trailblazer relay ignition. No parts for vehicles in selected markets. 2004 chevrolet trailblazer relay a c clutch. 2004 chevrolet trailblazer.

2004 chevrolet trailblazer relay a c compressor control. 2004 chevrolet trailblazer relay accessory power. 2004 trailblazer had water pump cooling fan fan clutch and relay replaced 4 months 2000 miles ago. Upon investigating this issue i found literally thousands of complaints on the internet regarding the chevrolet trailblazer and its premature fan clutch failures.

Check both of those relays and. Activated by radiator temp and or a c clutch. Dorman 622 001 electronic radiator fan clutch this is an eclectic clutch fan and you have to plug it in. Finally on 3 22 08 my fan clutch failed causing an overheat problem and a constant loud noise along with a service engine light.

To correct the failure i had to incur the 724. 200 miles later engine light on again same code. 2004 chevrolet trailblazer relay blower motor. Also there s fan fuse 20 which powers the relay.

Order chevrolet trailblazer relay radiator cooling fan motor online today. I have a 2003 chevrolet trailblazer ext lt with a 5 3 the cooling fan is constantly running no codes the relay and fuse are good what else could it be. Chevrolet 2004 trailblazer 4 2l l6 electrical switch relay radiator fan relay. I installed a new electric clutch fan because the other one was operating on high even when the engine was at idle.

Chevy trailblazer trailblazer ext 2004 radiator fan controller by four seasons. Free same day store pickup. Look for fan relay 45 in the underhood relay box. This is really an engine cooling fan relay but i can t find a wiring diagram for another fan relay.

2004 chevrolet trailblazer relay radiator cooling fan motor. This what i bought. Engine light popped up again with code for excessive fan speed so service replaced entire fan and clutch assembly again warranty. Need to replace your fan clutch.

It s constantly engaged sounding like an airplane.

Trailblazer Fuse Box Wiring Diagram Sum Day Sum Day Emilia Fise It

Trailblazer Fuse Box Wiring Diagram Sum Day Sum Day Emilia Fise It

Sparky S Answers 2004 Chevrolet Trailblazer No Low Beam Headlights

Sparky S Answers 2004 Chevrolet Trailblazer No Low Beam Headlights

No Headlights Chevy Trailblazer Trailblazer Ss And Gmc Envoy Forum

No Headlights Chevy Trailblazer Trailblazer Ss And Gmc Envoy Forum

Fan Clutch I Replaced The Fan Clutch Twice On My Vehicle The

Fan Clutch I Replaced The Fan Clutch Twice On My Vehicle The

Chevrolet Trailblazer Questions I Have A 2004 Chevy Trailblazer That Is Having A Problem Headliamp Re Cargurus

Chevrolet Trailblazer Questions I Have A 2004 Chevy Trailblazer That Is Having A Problem Headliamp Re Cargurus

Chevrolet Trailblazer 2003 2004 Fuse Box Diagram Auto Genius

Chevrolet Trailblazer 2003 2004 Fuse Box Diagram Auto Genius

Diagram Cummins Fan Clutch Wiring Diagram Full Version Hd Quality Wiring Diagram Swireex1 Fimenor Fr

Diagram Cummins Fan Clutch Wiring Diagram Full Version Hd Quality Wiring Diagram Swireex1 Fimenor Fr

Rainier Trailblazer Ac Compressor Fuse And Relay Location Youtube

Rainier Trailblazer Ac Compressor Fuse And Relay Location Youtube

Trailblazer Clutch Fan Youtube

Trailblazer Clutch Fan Youtube

I Have A 2002 Chevy Trailblazer Since March My Service Engine Soon Light Has Come On First Time Gregg Chevrolet

I Have A 2002 Chevy Trailblazer Since March My Service Engine Soon Light Has Come On First Time Gregg Chevrolet

Wires That Connect To Fan Shroud Chevy Trailblazer Trailblazer Ss And Gmc Envoy Forum

Wires That Connect To Fan Shroud Chevy Trailblazer Trailblazer Ss And Gmc Envoy Forum

Engage Ac Compressor Clutch With A Paperclip On Relay How To Fix Bypass Won T Engage Jump Relay Youtube

Engage Ac Compressor Clutch With A Paperclip On Relay How To Fix Bypass Won T Engage Jump Relay Youtube

Cooling Fan Clutch 2004 Chevrolet Trailblazer O Reilly Auto Parts

Cooling Fan Clutch 2004 Chevrolet Trailblazer O Reilly Auto Parts

Fan Clutch Problem Affecting Transmission Code P0495

Fan Clutch Problem Affecting Transmission Code P0495

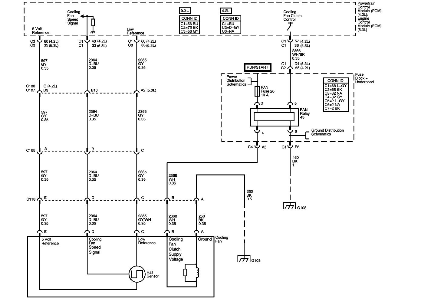
Diagram 2004 Trailblazer Fan Clutch Wiring Diagram Full Version Hd Quality Wiring Diagram Diagramliviad Apd Audax It

Diagram 2004 Trailblazer Fan Clutch Wiring Diagram Full Version Hd Quality Wiring Diagram Diagramliviad Apd Audax It

Diagram 2003 Chevy Trailblazer Cooling Fan Wiring Diagram Full Version Hd Quality Wiring Diagram Thadiagramj Maglierugbyonline It

Diagram 2003 Chevy Trailblazer Cooling Fan Wiring Diagram Full Version Hd Quality Wiring Diagram Thadiagramj Maglierugbyonline It

2005 Trailblazer Fan Clutch Wiring Harness Reach In Coolers For Control Wiring Begeboy Wiring Diagram Source

2005 Trailblazer Fan Clutch Wiring Harness Reach In Coolers For Control Wiring Begeboy Wiring Diagram Source

2003 Chevy S10 Ac Fuses Relay Blower Motor Fuse Location Youtube

2003 Chevy S10 Ac Fuses Relay Blower Motor Fuse Location Youtube

Https Encrypted Tbn0 Gstatic Com Images Q Tbn And9gcs5ku2diis 1gynlfu9lyt Xuyizt2f86nse Fh3933vsunl6lk Usqp Cau

Https Encrypted Tbn0 Gstatic Com Images Q Tbn And9gcs5ku2diis 1gynlfu9lyt Xuyizt2f86nse Fh3933vsunl6lk Usqp Cau

2005 Chevy Tahoe Ac Fuse Ac Relay Blower Motor Fuse Youtube

2005 Chevy Tahoe Ac Fuse Ac Relay Blower Motor Fuse Youtube

Diagram 2002 Chevrolet Trailblazer Cooling Fan Wiring Diagram Full Version Hd Quality Wiring Diagram Ampwiring29 Kingmobile It

Diagram 2002 Chevrolet Trailblazer Cooling Fan Wiring Diagram Full Version Hd Quality Wiring Diagram Ampwiring29 Kingmobile It

Easy Radiator Clutch Fan To Electric Fan Conversion Diagram Chevy Blazer S10 4 3l Engine Youtube

Easy Radiator Clutch Fan To Electric Fan Conversion Diagram Chevy Blazer S10 4 3l Engine Youtube

Diagram 2002 Gmc Envoy Fuse Box Full Version Hd Quality Fuse Box Diagrams Nerdfy Com Br

Diagram 2002 Gmc Envoy Fuse Box Full Version Hd Quality Fuse Box Diagrams Nerdfy Com Br

Diagram 2004 Chevy Trailblazer Pcm Wiring Diagram Full Version Hd Quality Wiring Diagram Chordsdiagram Adimstore It

Diagram 2004 Chevy Trailblazer Pcm Wiring Diagram Full Version Hd Quality Wiring Diagram Chordsdiagram Adimstore It

Source : pinterest.com