2003 Dodge Ram Ac Condenser Fan Not Working

Condensor Fan Not Spinning Dodge Ram Forum

Condensor Fan Not Spinning Dodge Ram Forum

How To Replace Ac Condenser Cooling Fan 02 08 Dodge Ram Part 1 Youtube

How To Replace Ac Condenser Cooling Fan 02 08 Dodge Ram Part 1 Youtube

What Would Make An A C Condenser Fan Stop Working

What Would Make An A C Condenser Fan Stop Working

Dodge Ram How To Install A C Condenser Cooling Fan Or Condenser Youtube

Dodge Ram How To Install A C Condenser Cooling Fan Or Condenser Youtube

Deviant 84600 Ac Condenser Guard For 2003 07 Dodge Ram Pickups Dodge Ram Pickup Ac Condenser Dodge Ram

Deviant 84600 Ac Condenser Guard For 2003 07 Dodge Ram Pickups Dodge Ram Pickup Ac Condenser Dodge Ram

Condenser Fan Not Working I Have The Truck Listed Above 2500 Hemi

Condenser Fan Not Working I Have The Truck Listed Above 2500 Hemi

Condenser Fan Not Working I Have The Truck Listed Above 2500 Hemi

I have a 2003 dodge ram 1500 the condenser fan does not work how would i fix it without taking the whole thing out cars trucks question.

2003 dodge ram ac condenser fan not working.

My ac is not blowing air but i can feel cold at the vent. Ram 1500 ac condenser fan not working. Maintenance repair. 2003 dodge ram 1500 maintenance repair.

I have a 2005 ram 1500 5 7 liter. 2007 dodge ram 1500 w 5 7 hemithe condenser fan is not turning on. I beleive it is the cooling sensor but i am having a har read more. I think the relay is only supposed to be activated once the compressor is running.

2009 dodge ram 1500 maintenance repair. Already cheaked relay which is fine and there is no voltage going to the fan. Ac condenser fan not working my ac condenser fan has no power going to it. Changed th read more.

Ac not working right 1 answer. Anyway what s really messed up is the fan doesn t run ever. My a c condensing fan motor on 2003 dodge ram 5 7 is not working. Ac will blow cold some times and then not others.

Posted by paul webb on nov 19 2012. Robyn g asked in cars transportation car makes dodge 1 decade ago i have a 2003 dodge ram truck and the a c condenser fan is not working. Asked by tprestien jun 06 2018 at 09 32 pm about the 2002 dodge ram 1500 slt quad cab rwd. Want answer 0.

In this video we show how to replace the ac condenser fan on a dodge ram 1500 from years 2001 2008 if you have any further interest please visit http www 2. I have a 2009 dodge ram 1500 and the ac is cold when the truck is moving but hot when idling. Ac condenser fan not working 6 answers. Ac condenser fan not working my ac condenser fan has no power going to it.

On a 2004 dodge ram 1500 i tried a new resistor fusses charging the system all most everything i could think of exscept the wiring harness. Before the fuse melted in the fuse box. The ac compressor was short cycling causing the motor to almost stall at idle i replaced the condenser fan and no change. Ac condenser fan not working.

My ac condenser fan has no power going to it.

Dodge Ram 1500 Questions A C Condenser Fan Not Turning Where Is The Fuse Relay Cargurus

Dodge Ram 1500 Questions A C Condenser Fan Not Turning Where Is The Fuse Relay Cargurus

Amazon Com Rareelectrical New Ac Condenser Fan Assembly Compatible With Dodge Ram 2003 2008 Ram 1500 5 7l 2002 2003 5 9l Automotive

Amazon Com Rareelectrical New Ac Condenser Fan Assembly Compatible With Dodge Ram 2003 2008 Ram 1500 5 7l 2002 2003 5 9l Automotive

How To Replace 2008 Dodge Ram Ac Condenser Fan The Easiest Way Youtube

How To Replace 2008 Dodge Ram Ac Condenser Fan The Easiest Way Youtube

How To Replace Ac Condenser Motor Fan Ac Repair Dodge Ram 1500 2500 3500 2002 2008 5 7 Youtube

How To Replace Ac Condenser Motor Fan Ac Repair Dodge Ram 1500 2500 3500 2002 2008 5 7 Youtube

New Wiring Diagram For 2014 Dodge Ram 1500 Diagram Diagramsample Diagramtemplate Wiringdiagram Diagramchart Wo Diagram 2004 Dodge Ram 1500 Dodge Ram 1500

New Wiring Diagram For 2014 Dodge Ram 1500 Diagram Diagramsample Diagramtemplate Wiringdiagram Diagramchart Wo Diagram 2004 Dodge Ram 1500 Dodge Ram 1500

Ac Condenser Fan Relay Location Code P0480

Ac Condenser Fan Relay Location Code P0480

Amazon Com Sunbelt Ac Condenser Fan Assembly For Dodge Ram 3500 Ram 2500 Ch3113103 Drop In Fitment Automotive

Amazon Com Sunbelt Ac Condenser Fan Assembly For Dodge Ram 3500 Ram 2500 Ch3113103 Drop In Fitment Automotive

New 2003 Dodge Ram 1500 Radio Wiring Diagram Diagram Diagramsample Diagramtemplate Wiringdiagram Diagramchart Workshee Dodge Stratus Dodge Ram 1500 Dodge

New 2003 Dodge Ram 1500 Radio Wiring Diagram Diagram Diagramsample Diagramtemplate Wiringdiagram Diagramchart Workshee Dodge Stratus Dodge Ram 1500 Dodge

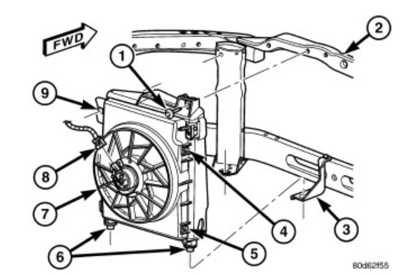
A C Condensor Fan Motor Install Dodgetalk Forum

A C Condensor Fan Motor Install Dodgetalk Forum

2004 2008 Ram 1500 Ac Condenser Fan Pt 1 Youtube

2004 2008 Ram 1500 Ac Condenser Fan Pt 1 Youtube

New Wiring Diagram For 2014 Dodge Ram 1500 Diagram Diagramsample Diagramtemplate Wiringdiagram Diagramchart Worksheet Worksh Dodge Dakota Dodge Fuse Box

New Wiring Diagram For 2014 Dodge Ram 1500 Diagram Diagramsample Diagramtemplate Wiringdiagram Diagramchart Worksheet Worksh Dodge Dakota Dodge Fuse Box

Ebay Sponsored Mercedes Benz C63 Radiator Ac Condenser Cooling Fan 2012 2013 2014 C250 Oem Mercedes Benz C63 Ac Condenser Mercedes Benz

Ebay Sponsored Mercedes Benz C63 Radiator Ac Condenser Cooling Fan 2012 2013 2014 C250 Oem Mercedes Benz C63 Ac Condenser Mercedes Benz

A C Condenser Fan Assembly Installation Video By Dorman Products Youtube

A C Condenser Fan Assembly Installation Video By Dorman Products Youtube

94 97 Dodge Ram Heater Climate Control Unit W Ac 96 95 1500 2500 3500 Truck Dodge Ram Control Unit Dodge

94 97 Dodge Ram Heater Climate Control Unit W Ac 96 95 1500 2500 3500 Truck Dodge Ram Control Unit Dodge

Sponsored Ebay A C Condenser Fan Motor Motor And Fan Right Valeo 696002 Fits 03 10 Saab 9 3 Fan Motor Saab 9 3 Cars Trucks

Sponsored Ebay A C Condenser Fan Motor Motor And Fan Right Valeo 696002 Fits 03 10 Saab 9 3 Fan Motor Saab 9 3 Cars Trucks

Cooling Fans Kits For 2003 Dodge Ram 1500 For Sale Ebay

Cooling Fans Kits For 2003 Dodge Ram 1500 For Sale Ebay

How To Replace Ac Condenser Cooling Fan 02 08 Dodge Ram Part 2 1a Auto

How To Replace Ac Condenser Cooling Fan 02 08 Dodge Ram Part 2 1a Auto

Dodge Ram 1500 Questions Fan Blower Won T Work Cargurus

Dodge Ram 1500 Questions Fan Blower Won T Work Cargurus

Https Encrypted Tbn0 Gstatic Com Images Q Tbn And9gcsathtkzpcmwrghq8sm1gyikexow1u9piwzftmairebuqkrwji9 Usqp Cau

Https Encrypted Tbn0 Gstatic Com Images Q Tbn And9gcsathtkzpcmwrghq8sm1gyikexow1u9piwzftmairebuqkrwji9 Usqp Cau

Dodge Ram 1500 Ac Compressor Fuse And Relay Troubleshooting Horn 1998 Youtube

Dodge Ram 1500 Ac Compressor Fuse And Relay Troubleshooting Horn 1998 Youtube

How To Replace Blower Motor Resistor 94 08 Dodge Ram Youtube

How To Replace Blower Motor Resistor 94 08 Dodge Ram Youtube

Symptoms Of A Bad Or Failing Ac Condenser Fan Yourmechanic Advice

Symptoms Of A Bad Or Failing Ac Condenser Fan Yourmechanic Advice

Engine Cooling Fan Assembly Fits 1998 2003 Mercedes Benz Ml320 Ml430 Ml350 Dorm Cooling Fan Mercedes Benz Fan

Engine Cooling Fan Assembly Fits 1998 2003 Mercedes Benz Ml320 Ml430 Ml350 Dorm Cooling Fan Mercedes Benz Fan

Dodge Ram Fog Lights Led 2018 New Version For 1500 2002 2008 2500 3500 Truck Bicyaco

Dodge Ram Fog Lights Led 2018 New Version For 1500 2002 2008 2500 3500 Truck Bicyaco

Source : pinterest.com